Защита переговоров, видеонаблюдение, контроль доступа, охранно-пожарная безопасность
★ Нам 18 лет ★
Эксперты № 1
в защите переговоров
+7 (495) 151-84-38
ПН-ПТ 9:00 - 18:00

Генератор шума Соната-РС2

Защита сети 220В и помехоподавляющие фильтры
Соната
Артикул: 00585

Обновленная версия прибора Соната-РС3

  • Защита информации по сети 220В;
  • Потребляемая мощность не более 10 Вт;
  • Рабочий диапазон частот до 2 ГГц;
  • Подключение к 3-проводной сети;
  • Регулировка уровня шума в 3 полосах;
  • Светодиодная и звуковая индикация;
  • Локальное проводное управление;
  • Габариты: 167х142х60 мм, вес 400 г;
  • Непрерывная работа 24 часа;
  • Сертифицировано ФСТЭК России.
Мы на портале поставщиков
Заказ
доставка 1 - 5 дней
Интересует это оборудование, но есть вопросы?
позвоните мне
Нажимая кнопку «Заказать звонок», я подтверждаю, что я ознакомлен и согласен с условиями политики обработки персональных данных.
Ваша заявка принята.
Пожалуйста, ожидайте нашего звонка.

Генератор шума Соната-РС2 – это устройство для защиты линий электропитания и заземления от утечки информации, имеющее сертификат ФСТЭК России. Данный документ подтверждает соответствие прибора требованиям по защите конфиденциальной информации и допускает его к использованию на объектах государственной важности до 1 категории включительно. Устройство предназначено для нейтрализации наводок на объектах вычислительной техники, формируя шумовые сигналы для маскировки информационных составляющих. Потребляемая мощность составляет всего 10 Вт, а компактные габариты 167х142х60 мм и вес 400 г обеспечивают легкую интеграцию в существующую инфраструктуру.

Ключевые особенности генератора шума Соната-РС2

По сравнению с Соната-РС1, устройство Соната-РС2 обладает расширенными возможностями, что делает его более гибким инструментом.

  • Расширенный частотный диапазон до 2 ГГц, против 1 ГГц у Соната-РС1.
  • Регулировка уровня шума в 3 независимых частотных полосах, в Соната-РС1 в 1 полосе.
  • Высокое качество шумового сигнала: коэффициент качества шума не менее 0,8.
  • Надежный контроль: светодиодная и звуковая индикация рабочего режима.
  • Сертификация ФСТЭК и защищенные патентами РФ схемотехнические решения.

Генератор Соната-РС2 предназначен для защиты объектов с большим количеством оборудования. Он рассчитан на подключение к стандартной 3-проводной сети 220 В с проводниками "Фаза", "Ноль" и "Защитное заземление". Устройство формирует шумовые напряжения во всех проводниках, обеспечивая комплексную защиту. Оно может использоваться автономно или интегрироваться в комплекс технических средств защиты информации ТСЗИ с возможностью локального проводного управления.

Варианты установки на объекте

Конструкция устройства позволяет гибко организовать защиту в зависимости от конфигурации вводов электропитания на объекте. Ниже представлены типовые варианты установки.

Вариант установки с одним вводом
Вариант установки с двумя вводами

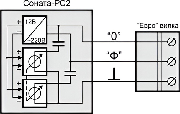
Схемы подключения и технические аспекты

Для корректной работы устройства Соната-РС2 и обеспечения заявленных характеристик необходимо строгое соблюдение схемы подключения к стандартной 3-проводной сети 220 В. При отсутствии штатного защитного заземления в розетке для нормализации работы рекомендуется подключить к её контакту «земля» отдельный проводник длиной не менее 5 метров, проложив его вдоль линии электропитания.

Функциональная схема подключения Соната-РС2
Функциональная схема подключения Соната-РС2

Как купить генератор шума Соната-РС2

Вы можете заказать устройство защиты информации Соната-РС2 в нашем интернет-магазине по выгодной цене, с официальной гарантией производителя. Доставка по территории России осуществляется через надежные транспортные компании, а для клиентов в Москве доступна бесплатная доставка курьером. Если у вас остались вопросы по выбору, совместимости или применению, наши специалисты всегда готовы помочь. Свяжитесь с нами по указанному телефону или напишите напрямую в онлайн-чат менеджеру для получения подробной консультации.

Общие параметры:
Тип устройства генератор шума
Тип соединения вилка - розетка
Управление возможно дистанционное включение прибора с пульта управления
Сертификат ФСТЭК есть
Физические хар-ки:
Ток нагрузки -
Уровень шума / затухания -
Напряжение 220 В
Частотный диапазон до 2 ГГЦ, регулировка уровня шума в 3 частотных полосах
Кол-во фаз 1
Габариты и вес:
Вес -
Длина 142 мм
Ширина 167 мм
Высота 60 мм
Заводские данные:
Гарантия 24 мес
Страна-производитель Россия
Ресурс работы -
Условия эксплуатации (t, влажность) -
Дополнительно:
Коэффициент качества шума не менее 0,8
Коэффициент межспектральных корреляционных связей шума не более 3
Модуль минимального сопротивление нагрузки 3 Ом
Глубина регулировки интегрального уровня шума на выходе устройства не менее 10 дБ
Индикация системы контроля интегрального уровня шумового напряжения светодиодная и звуковая
Продолжительность непрерывной работы не менее 24 час
Время выхода Изделия в рабочий режим после включения не более 5 с
Электропитание Изделия ~220 В / 50 Гц
Мощность потребляемая от сети, Вт, не более 10
Спектральная плотность напряжения шумов на нагрузке 3 Ом (Дб относительно к 1 мкВ/√кГц) в диапазонах частот 0,01 – 0,15 МГц
0,15 – 30 МГц
30 – 1000 МГц
30 – 2000 МГц
*
Производитель сохраняет за собой право изменять технические характеристики, комплектацию и внешний вид товара без предварительного оповещения дилера.
Просьба уточнять технические характеристики и комплектацию у продавца перед покупкой.

Наименование Количество
Генератор шума Соната-РС2 1 шт.
Руководство по эксплуатации 1 шт.
Технический паспорт 1 шт.
Упаковка 1 шт.
*
Производитель сохраняет за собой право изменять технические характеристики, комплектацию и внешний вид товара без предварительного оповещения дилера.
Просьба уточнять технические характеристики и комплектацию у продавца перед покупкой.
Отзывы на Генератор шума Соната-РС2 (Артикул - 00585)
Новый отзыв
Оценка товара:
Спасибо!
Ваш отзыв будет опубликован после проверки модератором.
Интересует устройство, но есть вопросы? Перезвоним в течение 5 минут!
Нажимая кнопку «Заказать консультацию», я подтверждаю, что я ознакомлен и согласен с условиями политики обработки персональных данных.
, спасибо! Ваша заявка принята.
Мы обязательно сегодня вам ответим и проконсультируем по всем вопросам.
К ЭТОЙ ПОКУПКЕ РЕКОМЕНДУЕМ посмотреть ТОВАРЫ
Генератор шума Соната-РС3
Средство активной защиты информации от утечки за счет наводок информативного сигнала на цепи электропитания и заземления
ХИТ продаж
Сетевой фильтр Соната-ФС10.1
Сетевой Фильтр с серт. ФСТЭК для защиты информации от утечки за счет побочных электромагнитных наводок на линии электропитания
ХИТ продаж
Сетевой фильтр ЛФС-10-1Ф
Однофазный сетевой фильтр для максимального рабочего тока 10А.
Мы предоставляем несколько вариантов оплаты. Вы можете заплатить по безналу как юридическое лицо, картой или одним из множества способов, которые предоставляет агрегатор платежей.

Быстрая доставка товара по Вашему адресу
в любой город РФ.
Сумма отмеченных товаров
РУБ
положить в корзину
Товар добавлен к сравнению. В списке сравнения
Сравнить