Оборудование Антитеррористической безопасности и защиты информации
★ Нам 18 лет ★
Эксперты № 1
в защите переговоров
+7 (495) 151-84-38
ПН-ПТ 9:00 - 18:00

СПО RadioInspectorRP обработки панорам

Артикул: 28808

Детектор Системс - официальный представитель производителя Кассандра

  • Статистическая обработка сигналов и диапазонов;
  • Анализ электромагнитной обстановки в точке;
  • Воспроизведение панорам в реальном времени;
  • Детальный анализ сигналов и поддиапазонов;
  • Отображение данных в графиках и спектрограммах;
  • Отображение измерений на карте с координатами;
  • Измерение занятости частотного диапазона сигналов;
  • Анализ и поиск источников помех по спектру;
  • Сохранение выборок по времени и координатам;
  • Формирование отчётов по результатам измерений.
Мы на портале поставщиков
В наличии в демонстрационном зале
Официальный дилер
Участвуем в госзакупках
Заказ
доставка 1 - 45 дней
Интересует это оборудование, но есть вопросы?
позвоните мне
Нажимая кнопку «Заказать звонок», я подтверждаю, что я ознакомлен и согласен с условиями политики обработки персональных данных.
Ваша заявка принята.
Пожалуйста, ожидайте нашего звонка.

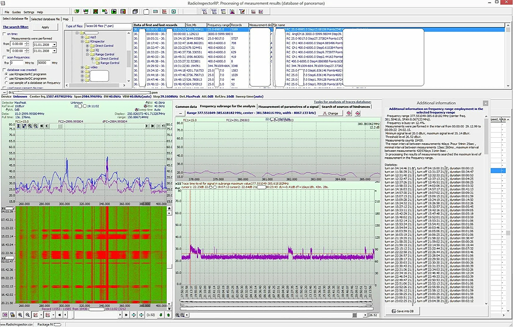
Программа RadioInspectorRP предназначена для глубокой статистической обработки сигналов и диапазонов частот на основе базы панорам в пространстве: амплитуда-частота-время-координаты. Она позволяет «воспроизводить» радиоэфир с привязкой к карте и вести детальный поиск помех по гармоникам и интермодуляции 2, 3, 5 и 7 порядков. ПО работает с базами, сформированными комплексами RadioInspectorRC и RadioInspectorRT, и дает возможность измерять занятость частоты, полосу сигнала методом β/2, а также напряженность поля. Одновременно можно анализировать до 4 поддиапазонов и автоматически фиксировать выход параметров излучения за заданные нормы.

Основные функциональные возможности RadioInspectorRP

  • Анализ электромагнитной обстановки – в статической точке или по маршруту транспортного средства.
  • Воспроизведение панорам в реальном времени и в ускоренном режиме.
  • Детальный анализ сигналов (до 4 одновременно) с выводом графиков и 2D/3D спектрограмм.
  • Геопозиционирование (опция RP-GEO) – отображение точек измерений на электронной карте OSM.
  • Измерение занятости частот и параметров сигнала: полоса по уровню -N дБ, центральная частота.
  • Поиск источников помех по гипотезам блокирования, гармоник, интермодуляции (2,3,5,7 порядков).
  • Сохранение выборки по времени, частоте, координатам (с RP-GEO) или диапазону записей.
  • Документирование сигналов с привязкой ко времени работы ИРИ и использованием базы частотных присвоений.
  • Сравнение с эталонной панорамой – контроль выхода за границы и поиск новых источников излучения.
  • Автоматическая подготовка отчета по результатам измерений.

Благодаря поддержке базы частотных назначений, RadioInspectorRP наглядно разделяет легальные и неопознанные ИРИ прямо на графике. Программа незаменима при экспертизах радиочастотного спектра, где требуется высокая точность и документирование каждого измерения с временной и координатной привязкой. Это позволяет выстраивать доказательную базу для дальнейших проверок и судебных разбирательств.

Области применения программы RadioInspectorRP

  • Экспертный анализ и документирование радиочастотного спектра.
  • Отображение ранее собранных измерений вдоль трассы.
  • Поиск нелегальных источников излучения и фиксация нарушений норм (ограничительных линий).
  • Выявление и локализация источников радиопомех.
  • Постобработка параметров излучения РЭС по результатам прошедших измерений.

Работа с большими массивами данных требует гибких настроек. В зависимости от задач программа комплектуется опциями, расширяющими базовый функционал. Например, расширенная база данных позволяет вести учет измерений и средств с авторизацией сотрудников.

Опции и конфигурации RadioInspectorRP

Название опции Назначение
Опция RP-GEO Поддержка геоинформационной системы (электронные карты OSM, привязка измерений к координатам)
Опция RP-DB Поддержка баз данных: результатов и средств измерений, норм 17...19, сотрудников. Возможность авторизации при входе в программу и в процессе работы.

Как купить комплекс Кассандра с СПО RadioInspectorRP

Мы предлагаем Комплекс радиомониторинга Кассандра в различных комплектациях с доставкой по России транспортными компаниями. Если вас интересуют комплексы радиомониторинга, мы можем провести для вас демонстрацию и тестирование данного комплекса в нашем шоу-руме. Договориться о тестировании можно по тел.: +7(495) 151-84-38. Кроме того, вы можете выбрать другие радиокомплексы на сайте именно под ваши задачи от стационарных решений до мобильных пеленгаторов. Проконсультируем по выбору оптимальной конфигурации.

Общие параметры:
Тип ПО Программа постобработки измерений
Назначение Анализ данных панорам сигналов
Привязка к навигации Геопривязка при наличии RP-GEO, карты OSM
Одновременный контроль До 4 сигналов одновременно
Сохранение результатов Сохранение выборок по критериям
Режим анализа реальный и ускоренный
Представление данных Графики и спектрограммы
Измерения Частота, полоса, напряжённость поля
Поиск опасных сигналов По спектру и гипотезам
База данных Поддержка через опцию RP-DB
Отчётность Формирование отчётов по результатам
*
Производитель сохраняет за собой право изменять технические характеристики, комплектацию и внешний вид товара без предварительного оповещения дилера.
Просьба уточнять технические характеристики и комплектацию у продавца перед покупкой.
Отзывы на СПО RadioInspectorRP обработки панорам (Артикул - 28808)
Новый отзыв
Оценка товара:
Спасибо!
Ваш отзыв будет опубликован после проверки модератором.
Интересует устройство, но есть вопросы? Перезвоним в течение 5 минут!
Нажимая кнопку «Заказать консультацию», я подтверждаю, что я ознакомлен и согласен с условиями политики обработки персональных данных.
, спасибо! Ваша заявка принята.
Мы обязательно сегодня вам ответим и проконсультируем по всем вопросам.
К ЭТОЙ ПОКУПКЕ РЕКОМЕНДУЕМ посмотреть ТОВАРЫ
Комплекс радиомониторинга Кассандра ТМ9
Комплекс радиомониторинга и цифрового анализа сигналов 9 кГц - 9 ГГц
ХИТ продаж
Подробнее
Цена по запросу
В сравнение
Комплекс амплитудной пеленгации Кассандра С30
Портативный программно-аппаратный комплекс амплитудной пеленгации (6-30 ГГц)
Подробнее
Цена по запросу
В сравнение
Комплекс радиомониторинга Кассандра ТМ30
Радиомониторинг 9 кГц–30 ГГц, анализ сигналов, высокая чувствительность, выявление излучений, сетевой контроль, IQ-запись, работа 24/7
ХИТ продаж
Подробнее
Цена по запросу
В сравнение
Мы предоставляем несколько вариантов оплаты. Вы можете заплатить по безналу как юридическое лицо, картой или одним из множества способов, которые предоставляет агрегатор платежей.

Быстрая доставка товара по Вашему адресу
в любой город РФ.
Сумма отмеченных товаров
РУБ
положить в корзину
Товар добавлен к сравнению. В списке сравнения
Сравнить